Zona industriale di WengYang Yueqing Wenzhou 325000
Orario di lavoro
Da lunedì a venerdì: dalle 7.00 alle 19.00
Fine settimana: 10.00 - 17.00
Zona industriale di WengYang Yueqing Wenzhou 325000
Orario di lavoro
Da lunedì a venerdì: dalle 7.00 alle 19.00
Fine settimana: 10.00 - 17.00

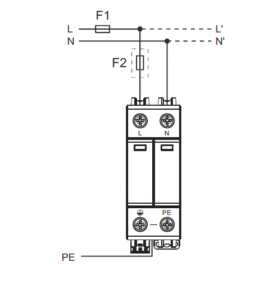
Dispositivo di protezione contro le sovratensioni di tipo 1+2 N-PE per monofase AC 230 V sistemi.
Valori di sovratensione: Iimp 12,5 kA (10/350 µs), In 20 kA (8/20 µs), Fino ≤ 1,5-2,0 kV.
topologia 1+1 con MOV (L-N) e GDT (N-PE), modulo collegabile, opzionale Contatti RC.
| Codice prodotto | KYSPD-12.5T1+2-1+1 |
|---|---|
| Categoria | Dispositivo di protezione contro le sovratensioni di tipo 1+2 N-PE |
| Tensione nominale del sistema | 230 V CA |
| Topologia | 1+1 (L-N MOV, N-PE GDT) |
| Corrente d'impulso (Iimp, 10/350 μs) | 12,5 kA |
| Corrente di scarica nominale (In, 8/20 μs) | 20 kA |
| Livello di protezione della tensione (su) | ≤ 1,5-2,0 kV |
| Tensione operativa continua (Uc) | 230 V CA |
| Tempo di risposta | < 25 ns (L-N), < 100 ns (N-PE) |
| Fusibile di riserva (max) | 160 A gL/gG |
| Corrente nominale di cortocircuito (ISCCR) | 25 kA CA |
| Temperatura di esercizio | Da -40 °C a +80 °C |
| Montaggio | Guida DIN da 35 mm, EN 60715 |
| Involucro / Protezione | Termoplastico UL94 V-0 / IP20 |
| Segnalazione remota (RC) | Opzionale; CA 250 V / 0,5 A; CC 250 V / 0,1 A |
| Standard | IEC/EN 61643-11 |
Schema di collegamento del tipo 1+2 del dispositivo di protezione contro le sovratensioni N-PE KYSPD-12.5T1+2-1+1

Dimensioni dispositivo di protezione da sovratensioni di tipo 1+2 N-PE KYSPD-12.5T1+2-1+1

Recensioni
Ancora non ci sono recensioni.