Indirizzo
304 Nord Cardinale
St. Dorchester Center, MA 02124
Orario di lavoro
Da lunedì a venerdì: dalle 7.00 alle 19.00
Fine settimana: 10.00 - 17.00
Indirizzo
304 Nord Cardinale
St. Dorchester Center, MA 02124
Orario di lavoro
Da lunedì a venerdì: dalle 7.00 alle 19.00
Fine settimana: 10.00 - 17.00

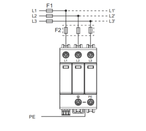
A tre poli Dispositivo di protezione contro le sovratensioni di tipo 1+2 3P per i quadri di distribuzione principali (230/400 V CA).
Iimp 12,5 kA (10/350 μs) per polo; In 20 kA; Imax 40 kA; Uc 275 V CA.
Modulo innestabile con sezionatore termico, finestra di stato visiva, segnalazione remota RC opzionale.
| Parametro | Valore |
|---|---|
| Codice prodotto | KYSPD-12.5T1+2-3P |
| Categoria | Dispositivo di protezione da sovratensioni di tipo 1+2 3P |
| Tensione nominale del sistema (Uo/Un) | 230 / 400 V CA |
| Massima tensione operativa continua (Uc) Tensione operativa continua (Uc) | 275 V CA |
| Corrente di scarica a impulso (Iimp, 10/350 μs) | 12,5 kA per polo |
| Corrente di scarica nominale (In, 8/20 μs) | 20 kA |
| Corrente di scarica massima (Imax, 8/20 μs) Corrente di scarica (Imax, 8/20 μs) | 40 kA |
| Livello di protezione della tensione (su) | ≤ 1,5 kV |
| Tempo di risposta | < 25 ns |
| Fusibile di riserva (max) | 125 A gL/gG |
| Corrente nominale di cortocircuito (ISCCR) | 25 kA |
| Temperatura di esercizio | -40 °C ... +70 °C |
| Montaggio | Guida DIN da 35 mm (EN 60715) |
| Alloggiamento | Termoplastico, UL94 V-0 |
| Grado di protezione | IP20 (incorporato) |
| Segnalazione remota | Contatti RC opzionali |
| Standard | IEC/EN 61643-11 |
Questo Dispositivo di protezione contro le sovratensioni di tipo 1+2 3P fornisce una soppressione coordinata dei fulmini e delle sovratensioni per le distribuzioni trifase in corrente alternata.


Installarlo all'ingresso del servizio o sul quadro principale come un Dispositivo di protezione contro le sovratensioni di tipo 1+2 3P.
Il Dispositivo di protezione contro le sovratensioni di tipo 1+2 3P maniglie Iimp 12,5 kA per polo (10/350 μs).
Sì, i terminali RC opzionali consentono di monitorare lo stato a distanza.
È conforme alla norma IEC/EN 61643-11 per gli SPD a bassa tensione.
Sì, questo Dispositivo di protezione contro le sovratensioni di tipo 1+2 3P è robusto per gli ambienti industriali e commerciali.
Recensioni
Ancora non ci sono recensioni.